ELITEGROUP COMPUTER SYSTEMS, INC.

P6EX-ME

Device Type

Mainboard

Processor

Pentium II

Processor Speed

233/266/300/333MHz

Chip Set

Intel

Video Chip Set

None

Maximum Onboard Memory

256MB (EDO & SDRAM supported)

Maximum Video Memory

None

Cache

256/512KB (located on Pentium II CPU)

BIOS

Award

Dimensions

244mm x 244mm

I/O Options

32-bit PCI slots (2), floppy drive interface, game/MIDI port, green PC connector, IDE interfaces (2), parallel port, PS/2 mouse port, serial ports (2), IR connector, USB connectors (2), ATX power connector, AGP slot, line in, line out, microphone in, audio in – CD-ROMs (2)

NPU Options

None

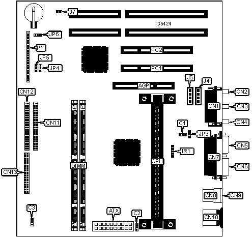
CONNECTIONS

Purpose

Location

Purpose

Location

AGP slot

AGP

Floppy drive interface

CN13

ATX power connector

ATX

IR connector

IR1

Power fan

C1

Audio in – CD-ROM

J4

CPU fan power

C2

Audio in – CD-ROM

J5

Chassis fan power

C3

Case open/close connector

J7

Game/MIDI port

CN1

Wake on LAN connector

JP4

Line out

CN2

Wake on modem connector

JP5

Line in

CN3

Power LED

P1/pins 1 - 3

Microphone in

CN4

Green PC connector

P1/pins 4 & 5

Serial port 2

CN5

Green PC LED

P1/pins 6 - 8

Serial port 1

CN6

Reset switch

P1/pins 9 & 10

Parallel port

CN7

Keylock

P1/pins 11 & 12

USB connector 1

CN8

Speaker

P1/pins 13 - 16

USB connector 2

CN9

IDE interface LED

P1/pins 17 & 18

PS/2 mouse port

CN10

Soft off power supply

P1/pins 19 & 20

IDE interface 2

CN11

32-bit PCI slots

PC1 – PC2

IDE interface 1

CN12

   

USER CONFIGURABLE SETTINGS

Function

Label

Position

 

On board audio enabled

JP3

Pins 1 & 2 closed

 

On board audio disabled

JP3

Pins 2 & 3 closed

»

CMOS memory normal operation

JP6

Pins 2 & 3 closed

 

CMOS memory clear

JP6

Pins 1 & 2 closed

DIMM CONFIGURATION

Size

Bank 0

Bank 1

8MB

(1) 1M x 64

None

16MB

(1) 2M x 64

None

16MB

(1) 1M x 64

(1) 1M x 64

24MB

(1) 2M x 64

(1) 1M x 64

32MB

(1) 4M x 64

None

32MB

(1) 2M x 64

(1) 2M x 64

40MB

(1) 4M x 64

(1) 1M x 64

48MB

(1) 4M x 64

(1) 2M x 64

64MB

(1) 8M x 64

None

DIMM CONFIGURATION (CON’T)

Size

Bank 0

Bank 1

64MB

(1) 4M x 64

(1) 4M x 64

72MB

(1) 8M x 64

(1) 1M x 64

80MB

(1) 8M x 64

(1) 2M x 64

96MB

(1) 8M x 64

(1) 4M x 64

128MB

(1) 16M x 64

None

128MB

(1) 8M x 64

(1) 8M x 64

136MB

(1) 16M x 64

(1) 1M x 64

144MB

(1) 16M x 64

(1) 2M x 64

160MB

(1) 16M x 64

(1) 4M x 64

192MB

(1) 16M x 64

(1) 8M x 64

256MB

(1) 16M x 64

(1) 16M x 64

Note: Board accepts EDO & SDRAM memory.

CACHE CONFIGURATION

Note: 256KB/512KB cache is located on the Pentium II CPU.