WYSE TECHNOLOGY, INC.

WYSE DECISION 486SE

Processor

80486SX/80487SX/80486DX/ODP486SX/80486DX2

Processor Speed

16/20/25/33/50(Internal)/50/66(Internal)

Chip Set

OPTI

Max. Onboard DRAM

128MB

SRAM Cache

128/256/512KB

BIOS

Phoenix

Dimensions

330mm x 218mm

I/O Options

32-bit local bus slots (2), CPU processor slot

NPU Options

4167

CONNECTIONS

Purpose

Location

Purpose

Location

Speaker

J1

32-bit local bus slot

SL1

Power LED & keylock

J2

32-bit local bus slot

SL2

Reset switch

S1

CPU processor slot

SL3

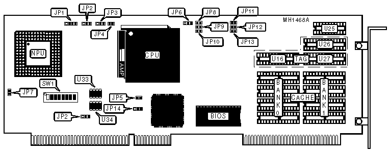
USER CONFIGURABLE SETTINGS SYSTEM BOARD

Function

Jumper

Position

»

Factory configured - do not alter

JP1

closed

»

Factory configured - do not alter

JP2

closed

»

Factory configured - do not alter

JP3

closed

»

Factory configured - do not alter

JP4

closed

»

Factory configured - do not alter

JP5

closed

»

Factory configured - do not alter

JP6

closed

»

Factory configured - do not alter

JP7

pins 2 & 3 closed

»

Monitor type select color

JP8

closed

 

Monitor type select monochrome

JP8

open

»

Factory configured - do not alter

JP12

closed

»

Factory configured - do not alter

JP13

closed

»

Factory configured - do not alter

JP14

closed

»

Factory configured - do not alter

JP15

open

»

Factory configured - do not alter

JP16

closed

DRAM CONFIGURATION

Size

Bank 0

Bank 1

4MB

(4) 1M x 9

NONE

8MB

(4) 1M x 9

(4) 1M x 9

16MB

(4) 4M x 9

NONE

20MB

(4) 1M x 9

(4) 4M x 9

32MB

(4) 4M x 9

(4) 4M x 9

64MB

(4) 16M x 9

NONE

128MB

(4) 16M x 9

(4) 16M x 9

BUS CLOCK CONFIGURATION

Speed

JP9

JP10

JP11

»

£ 25MHz

Open

Open

pins 2 & 3 closed

 

³ 33MHz

Closed

Open

pins 1 & 2 closed

»

16MHz synchronous

Open

Open

pins 2 & 3 closed

»

20MHz synchronous

Open

Open

pins 2 & 3 closed

 

25MHz synchronous

Closed

Open

pins 1 & 2 closed

 

50MHz synchronous

Closed

Open

pins 1 & 2 closed

USER CONFIGURABLE SETTINGS CPU BOARD

Function

Jumper

Position

»

Factory configured - do not alter

JP4

open

»

Factory configured - do not alter

JP5

closed

»

Clock generator/oscillator enabled

JP14

pins 1 & 2 closed

 

Clock generator/oscillator disabled

JP14

pins 2 & 3 closed

Note: Clock generator is installed in U34 on board X770171 and in U33 on board Y77071.

SRAM JUMPER CONFIGURATION

Size

JP6

JP8

JP9

JP10

JP11

JP12

JP13

128KB

pins 1 & 2 closed

closed

open

open

closed

open

open

256KB

pins 2 & 3 closed

closed

closed

open

closed

closed

open

512KB

pins 1 & 2 closed

closed

closed

closed

closed

closed

closed

SRAM CONFIGURATION

Size

Cache

Location

TAG/U26

TAG/U27

TAG/U16

Dirty Bit/U25

64KB

(8) 8K x 8

Banks 0 & 1

NONE

NONE

(1) 16K x 1

(1) 64K x 1

128KB

(4) 32K x 8

Bank 0

NONE

(1) 8K x 8

(1) 16K x 1

(1) 64K x 1

256KB

(8) 32K x 8

Banks 0 & 1

(1) 8K x 8

(1) 8K x 8

(1) 16K x 1

(1) 64K x 1

512KB

(8) 128K x 8

Bank 0

NONE

(1) 32K x 8

(1) 64K x 1

(1) 64K x 1

Note: For Tag Ram U16 may be occupied with 64K x 1 chips.

CPU SPEED CONFIGURATION

Type

CPU Speed

JP1

JP2

JP3

JP7

80486SX

16MHz

pins 2 & 3

pins 2 & 3

open

open

80487SX

16MHz

closed

pins 2 & 3

pins 1 & 2

open

80486SX

20MHz

pins 2 & 3

pins 2 & 3

open

open

80487SX

20MHz

closed

pins 2 & 3

pins 1 & 2

open

80486SX

25MHz

pins 2 & 3

pins 2 & 3

open

closed

80486SX

33MHz

pins 2 & 3

pins 2 & 3

open

closed

80486DX

25MHz

closed

pins 2 & 3

pins 2 & 3

closed

80486DX

33MHz

closed

pins 2 & 3

pins 2 & 3

closed

80486DX2/50i

25MHz

closed

pins 2 & 3

pins 2 & 3

closed

80486DX2/66i

33MHz

closed

pins 2 & 3

pins 2 & 3

closed

Note: Pins designated should be in the closed position.

CPU TYPE CONFIGURATION SWITCH 1 BOARD X77017

Type

SW1/1

SW1/2

SW1/3

SW1/4

SW1/5

SW1/6

SW1/7

SW1/8

80486SX/16MHz

off

on

off

on

on

off

on

off

80487SX/16MHz

off

on

off

on

on

off

on

off

80486SX/20MHz

off

off

off

on

on

off

on

off

80487SX/20MHz

off

off

off

on

on

off

on

off

80486SX/25MHz

off

on

on

off

on

off

on

off

80486SX/33MHz

off

on

on

off

on

off

on

off

80486DX/25MHz

off

on

on

off

on

off

on

off

80486DX/33MHz

off

on

on

off

on

off

on

off

80486DX2/50iMHz

off

on

on

off

on

off

on

off

80486DX2/66iMHz

off

off

on

off

on

off

on

off

CPU TYPE CONFIGURATION SWITCH 1 BOARD Y77017

Type

SW1/1

SW1/2

SW1/3

SW1/4

SW1/5

SW1/6

SW1/7

SW1/8

80486SX/16MHz

on

off

off

on

on

off

on

off

80487SX/16MHz

on

off

off

on

on

off

on

off

80486SX/20MHz

off

off

on

on

on

off

off

off

80487SX/20MHz

off

off

on

on

on

off

off

off

80486SX/25MHz

off

off

on

on

on

off

on

off

80486SX/33MHz

off

on

on

on

on

off

on

off

80486DX/25MHz

on

off

on

on

on

off

on

off

80486DX/33MHz

off

on

on

on

on

off

on

off

80486DX2/50iMHz

on

on

on

on

on

off

on

off

80486DX2/66iMHz

off

off

on

on

on

off

on

off