ELSA, INC.

MICROLINK 33.6TS

Card Type

Modem (asynchronous)

Chipset

Unidentified

I/O Options

Voice

Maximum Data Rate

28.8Kbps

Maximum Fax Rate

14.4Kbps

Data Modulation

Bell 103A, 212A

ITU-T V.21, V.22bis, V.23, V.32, V.32bis, V.34

Rockwell V.FC

Fax Modulation

ITU-T V.17, V.27ter, V.29, V.33

Error Correction/Compression

MNP5, V.42, V.42bis

Fax Class

Class I & II

Data Bus

Serial

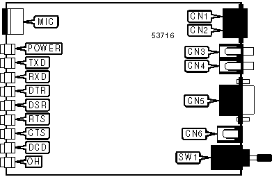
CONNECTIONS

Function

Label

Function

Label

Telephone line in

CN1

Serial port

CN5

Telephone line out

CN2

DC power in

CN6

Microphone in

CN3

Power switch

SW1

Speaker out

CN4

   

DIAGNOSTIC LED(S)

LED

Color

Status

Condition

POWER

Red

On

Power is on

POWER

Red

Off

Power is off

TXD

Red

On

Modem is transmitting data

TXD

Red

Off

Modem is not transmitting data

RXD

Red

On

Modem is receiving data

RXD

Red

Off

Modem is not receiving data

DTR

Red

On

DTR signal is high

DTR

Red

Off

DTR signal is low

DSR

Red

On

DSR signal is high

DSR

Red

Off

DSR signal is low

RTS

Red

On

RTS signal is high

RTS

Red

Off

RTS signal is low

DIAGNOSTIC LED(S) (CON'T)

LED

Color

Status

Condition

CTS

Red

On

CTS signal is high

CTS

Red

Off

CTS signal is low

DCD

Red

On

Carrier signal detected

DCD

Red

Off

Carrier signal not detected

OH

Red

On

Modem is off-hook

OH

Red

Off

Modem is on-hook

SUPPORTED STANDARD COMMANDS

Basic AT Commands

+++, ‘comma’, A/

A, B, E, H, L, M, O, P, T, V, X, Z

&D, &F, &S, &T, &V, &W, &Y, &Z

Extended AT Commands

\C, \J, \K, \N, \Q, \T, \X

%A, %C, %E

Special AT Commands

-J

S-Registers

S0, S1, S2, S3, S4, S5, S6, S7, S8, S10, S11, S12, S16, S21, S22, S25, S30, S38

Note: See MHI help file for complete information.

Proprietary AT Command Set

MODE SELECTION

Type:

Immediate

Format:

AT [cmds] #CLS=n [cmds]

Description:

Selects which mode the modem will operate in.

Command

Function

#CLS=0

Modem will operate in data mode.

#CLS=1

Modem will operate in fax class 1 mode.

#CLS=2

Modem will operate in fax class 2 mode.

#CLS=8

Modem will operate in voice mode.

SPEAKERPHONE OPTIONS

Type:

Configuration

Format:

AT [cmds] #SPK=x,y,z [cmds]

Description:

Sets various options for speakerphone functions.

Command

Function

x=0

Microphone enabled.

x=1

Microphone disabled.

x=2

Microphone enabled with maximum gain, speaker disabled.

y

Default:

5

 

Range:

0 - 16

 

Unit:

-2 dBm

 

Description:

Sets the attenuation level for speaker output in voice mode. A value of 16 will mute the speaker.

z=0

Microphone gain set to 0 dBm.

z=1

Microphone gain set to 6 dBm.

z=2

Microphone gain set to 9.5 dBm.

z=3

Microphone gain set to 12 dBm.

VOICE DEVICE

Type:

Configuration

Format:

AT [cmds] #VLS=n [cmds]

Description:

Selects the I/O device for the DSP chip.

Note:

This modem may not support all options listed below. The #VLS? command will display the available options.

Command

Function

í #VLS=0

Telephone line and handset used for voice I/O.

#VLS=1

Telephone handset used for voice I/O.

#VLS=2

Internal speaker only used for voice I/O.

#VLS=3

External microphone only used for voice I/O.

#VLS=4

Telephone line and handset used for voice I/O; internal speaker enabled.

#VLS=5

Headset used for voice I/O.

#VLS=6

Speakerphone used for voice I/O.

#VLS=7

Handset muted by disconnecting handset or speakerphone from telephone line.

#VLS=8

Connects caller ID relay for recording of conversation over handset.

#VLS=9

Connects handset (or speakerphone) to DSP chip for recording or playback.

See ELSA, INC. MICROLINK 33.6TQV for a full command summary.