MAGICXPRESS

MX56V - R

Card Type

Modem/Fax card

Chip Set

Unidentified

I/O Options

Line out, phone in, microphone in, speaker out

Maximum Modem Rate

56Kbps

Maximum Fax Rate

14.4Kbps

Data Modulation Protocol

Bell 103A/212A

ITU-T V34, V34+, V.32bis, V.32, V.22bis, V.23, V.22, V.21

Fax Modulation Protocol

ITU-T V.17, V.27ter, V.29

Error Correction/Compression

MNP5, V.42, V.42bis

Fax Class

Class I

Data Bus

8-bit ISA

Card Size

Three-quarter length

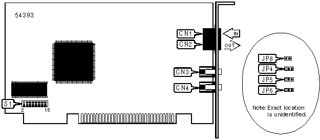
CONNECTIONS

Function

Label

Function

Label

Phone in

CN1

Speaker out

CN3

Line out

CN2

Microphone in

CN4

SERIAL PORT ADDRESS

Setting

S1

JP4

JP5

JP6

JP8

COM1 (3F8h)

3 & 4, 7 & 8

1 & 2

1 & 2

1 & 2

Open

COM2 (2F8h)

3 & 4, 11 & 12

1 & 2

1 & 2

1 & 2

Open

COM3 (3E8h)

1 & 2, 7 & 8

1 & 2

1 & 2

1 & 2

Open

COM4 (2E8h)

1 & 2 11 & 12

1 & 2

1 & 2

1 & 2

Open

Plug and play enabled

N/A

2 & 3

2 & 3

2 & 3

Closed

Note: Pins designated are in the closed position.

IRQ INTERRUPT

Setting

S1

IRQ3

Pins 9 & 10 closed

IRQ4

Pins 5 & 6 closed

IRQ5

Pins 13 & 14 closed

IRQ7

Pins 15 & 16 closed

SUPPORTED COMMAND SET

Basic AT Commands

AT, ‘+++’, A/

A, B, C, E, H, M, O, P, Q, T, V, X, Y, Z

&C, &D, &P, &V, &W, &Y, &Z

Extended AT Commands

\A, \B, \G

%C, %L, %Q

Special Commands

+MS

S Registers

S0, S1, S2, S3, S4, S5, S6, S7, S8, S9, S10, S11, S12, S14, S18, S21, ,S24, S25,S26

S29, S30, S31, S32, S33, S38, S91, S92, S95

 

Note: See MHI Help File for full command documentation.

Proprietary AT Command Set

DIAL

Type:

Immediate

Format:

AT [cmds] D<#> [cmds]

Description:

Dials telephone number according to any modifiers included in the string

Note:

Any combination of modifiers can be used to produce the desired dial functions in sequence.

Command

Function

DL

Re-dial last number

í DP

Pulse dialing enabled

DS=n

Dial stored telephone number n

DT

Tone dialing enabled/Pulse dialing disabled

DW

Dialing resumed following dial tone detection

D,

Dialing paused for amount of time specified in S8 register

D!

Flash function initiated. Modem commanded to go off-hook for specified time before returning on-hook.

D@

Wait for Quite Answer function enabled. Modem waits until a "quiet answer," a ring-back signal followed by silence up to the time specified in S7, is received prior to executing the rest of the dial string.

D;

Modem returned to idle state after dialing. The semicolon can only be placed at the end of the dial command.

D^

Toggles calling tone enable/disable: Applicable to current dialing attempt only

DJ

Perform MNP 10 link negotiation at 1200bps

DK

Enable power level adjustment during MNP 10 link negotiation

REPORT INFORMATION

Type:

Immediate

Format:

AT [cmds] In [cmds]

Description:

Displays information requested

Command

Function

I0

Reports four digit product code

I1

Reports ROM checksum

I2

Reports "ERROR"

I3

Reports firmware revision

I4

Reports OEM defined identifier string

I5

Reports country code parameter

I6

Reports modem data pump model and internal code revision

I7

Reports the DAA code

SPEAKER VOLUME

Type:

Configuration

Format:

AT [cmds] Ln [cmds]

Description:

Controls speaker volume

Command

Function

L0

Low volume setting

í L1

Low volume setting

L2

Medium volume setting

L3

Highest volume setting

AUTO-MODE DETECTION

Type:

Configuration

Format:

AT [cmds] Nn [cmds]

Description:

Selects various options for the automatic detection and negotiation of protocols during the handshake process if the modem is communicating with a remote modem of dissimilar speed.

Command

Function

N0

Auto-mode detection disabled

í N1

Auto-mode detection enabled

NEGOTIATION PROGRESS

Type:

Configuration

Format:

AT [cmds] Wn [cmds]

Description:

Reports error correction call progress

Command

Function

W0

Enables CONNECT result codes to report DTE speed.

W1

Enables CONNECT result codes to report line speed, error correction protocol, and DTE speed.

W2

Enables CONNECT result codes to report DCE speed.

FACTORY DEFAULT PROFILE

Type:

Configuration

Format:

AT [cmds] &F [cmds]

Description:

Sets values in active profile to values found in the default profile

Command

Function

í &F0

Sets values to factory configuration 0

&F1

Sets values to factory configuration 1

GUARD TONE

Type:

Configuration

Format:

AT [cmds] &Gn [cmds]

Description:

Commands the modem to transmit a guard tone in V.22/V.22bis

Note: Used primarily for international data transmission

Command

Function

í &G0, &G1

Guard tone disabled

&G2

1800Hz guard tone enabled

FLOW CONTROL

Type:

Configuration

Format:

AT [cmds] &Kn [cmds]

Description:

Enables flow control options

Command

Function

&K0

Flow control disabled

&K3

RTS/CTS flow control enabled

&K4

XON/XOFF flow control enabled

&K5

Transparent XON/XOFF flow control enabled

í &K6

Hardware and software flow control enabled

COMMUNICATIONS MODE

Type:

Configuration

Format:

AT [cmds] &Mn [cmds]

Description:

Selects communications mode options (same as &Q)

COMMUNICATIONS MODE

Type:

Configuration

Format:

AT [cmds] &Qn [cmds]

Description:

Selects communications mode options

Command

Mode

&Q0

Asynchronous mode, serial port speed follows connect speed.

&Q5

Error correction mode

&Q6

Buffered asynchronous mode

DATA SET READY (DSR)

Type:

Configuration

Format:

AT [cmds] &Sn [cmds]

Description:

Selects DSR options

Command

Function

í &S0

DSR forced high

&S1

DSR high only while modem is handshaking or connected

TEST MODES

Type:

Immediate

Format:

AT [cmds] &Tn

Description:

Selects test options

Command

Function

&T0

End current test

&T1

Begin local analog loopback test

&T8

Begin local analog loopback and self-test

EXTENDED AT COMMAND SET

BREAK TYPE

Type:

Configuration

Format:

AT [cmds] \Kn [cmds]

Description:

Configures action of break signal

Command

Break from DTE during normal or MNP mode

Break from DTE during direct mode

Break received from remote modem

\K0

Online command mode enabled, send no break to remote modem

Send break to remote modem

Buffers cleared, break sent to DTE

\K1

Break sent to remote modem and buffered cleared

Send break to remote modem

Buffers cleared, break sent to DTE

\K2

Online command mode enabled, send no break to remote modem

Send break to remote modem

Break sent immediately to DTE

\K3

Send break to remote modem immediately

Send break to remote modem

Break sent immediately to DTE

\K4

Online command mode enabled, send no break to remote modem

Send break to remote modem

Break sent with received data to the DTE

\K5

Send break with transmitted data

Send break to remote modem

Break sent with received data to the DTE

CONNECT MODE

Type:

Configuration

Format:

AT [cmds] \Nn [cmds]

Description:

Controls the type of connection the modem will operate in

Command

Function

\N0

Normal mode enabled

\N1

Direct mode enabled

\N2

Reliable mode enabled

\N3

Auto-reliable mode enabled

\N4

LAPM reliable mode enabled

\N5

MNP reliable mode enabled

SINGLE LINE CONNECT MESSAGE

Type:

Configuration

Format:

AT [cmds] \Vn [cmds]

Description:

Enables/disables single line connect message format

Command

Function

\V0

Connect messages are controlled by the command settings X, W, and S95

\V1

Connect messages are displayed in single line format described below subject to the command settings V and Q. In non-verbose mode (V0) single line connect messages are disabled and a single numeric result code is generated for CONNECT DTE.

AUTO-RETRAIN - AUTO-FALLBACK/FALL-FORWARD

Type:

Configuration

Format:

AT [cmds] %En [cmds]

Description:

Controls auto-retrain mode and fallback/fall-forward

Command

Function

í %E0

Auto-retrain disabled

%E1

Auto-retrain enabled

%E2

Auto-fallback/fall-forward enabled

%E3

Auto-fallback/fall-forward enabled. Fast hang-up.

S(STATUS) -REGISTERS

BIT-MAPPED REGISTER S22

Format

AT [cmds] S22=n [cmds]

Range:

0-255

Unit:

Bit-mapped

Description:

Controls speaker volume and controls, limits results codes, and pulse dial make/break ratio.

Bit

Value

Function

1, 0

00

í 01

10

11

Low volume

Low level volume

Medium level volume

High level volume

3, 2

00

í 01

10

11

Speaker off

Speaker off on carrier

Speaker always on

Speaker on during handshake

6 - 4

000

100

101

110

111

Basic result codes only enabled

Basic and connection speed result codes enabled

Basic and connection speed result codes and dial tone detection enabled

All result codes except dialtone detection enabled

All result codes enabled

7

0

Reserved

BIT-MAPPED REGISTER S23

Format

AT [cmds] S23=n [cmds]

Range:

0-189

Unit:

Bit-mapped

Description:

Grants/denies remote digital loopback, controls DTE rate and parity, and sets guard tone.

Bit

Value

Function

0

0

í 1

Remote digital loopback denied

Remote digital loopback allowed

3 - 1

000

001

010

í 011

100

101

110

111

Sets serial port speed to 0-300bps

Sets serial port speed to 600bps

Sets serial port speed to 1200bps

Sets serial port speed to 2400bps

Sets serial port speed to 4800bps

Sets serial port speed to 9600bps

Sets serial port speed to 19200bps

Sets serial port speed to 38400bps or higher

5, 4

00

01

10

í 11

Parity even

Not used

Parity odd

Mark or No Parity

7, 6

í 00

01

10

Guard tone disabled

Guard tone disabled

Guard tone 1800Hz enabled

BIT-MAPPED REGISTER S28

Format

AT [cmds] S28=n [cmds]

Range:

0-31

Unit:

Bit-mapped

Description:

Controls V.23 split speed, transmit/receive speed, half duplex; and pulse dialing.

Bit

Value

Function

0-2

0

Reserved

4, 3

í 00

01

10

11

39ms make/61ms break at 10pps

33ms make/67ms break at 10pps

39ms make/61ms break at 20pps

33ms make/67ms break at 20pps

5

0

Reserved

6-7

í 0

01

10

Link will be negotiated at highest possible speed

Link will be negotiated at 1200bps

Link will be negotiated at 4800bps

BIT-MAPPED REGISTER S36

Format

AT [cmds] S36=n [cmds]

Unit:

Bit-mapped

Description:

This register is read when S48 contains the value 128 or if an attempted link correction fails.

Bit

Value

Function

0-2

000

001

010

011

100

101

110

í 111

Modem disconnect

Modem stays on-line and direct mode connection is established

Not used

Modem stays online and a normal mode connection is established

An MNP connection is attempted. If it fails, the modem disconnects

An MNP connection is attempted. If it fails, a direct mode connection is established

Reserved

An MNP connection is attempted. If it fails, a normal mode connection is established

DCE LINE SPEED

Type:

Register

Format

AT [cmds] S37=n [cmds]

Description:

Sets the maximum allowable data exchange rate attempted during handshake process.

Command

Function

S37=0

Speed of last connection

S37=1

300bps

S37=2

300bps

S37=3

300bps

S37=4

Reserved

S37=5

V.22 at 1200bps

S37=6

V.22bis 2400bps

S37=7

V.23

S37=8

V.32/V.32bis at 4800bps

S37=9

V.32/V.32bis at 9600bps

S37=10

V.32bis at 12.0Kbps

S37=11

V.32bis at 14.4Kbps

S37=12

V.32bis at 7200bps

BIT-MAPPED REGISTER S39

Format

AT [cmds] S39=n [cmds]

Unit:

Bit-mapped

Description:

Displays the current flow control

Bit

Value

Function

0-2

000

í 011

100

101

110

Flow control disabled

RTS to CTS flow control disabled

XON/XOFF flow control enabled

Transparent XON/XOFF flow control enabled

UnidirectionalXON/XOFF flow control enabled

BIT-MAPPED REGISTER S40

Format

AT [cmds] S40=n [cmds]

Range:

0-255

Unit:

Bit-mapped

Description:

Controls power level and break handling; selects MNP extended services, link negotiation, and block size.

Bit

Value

Function

0-1

000

í 001

010

MNP Extended Services disabled

MNP Extended Services enabled

MNP Extended Services enabled

1

í 0

1

Auto adjustment enabled

Forced adjustment disabled

5, 4, 3

000

001

010

011

100

í 101

AT\K0

AT\K1

AT\K2

AT\K3

AT\K4

AT\K5

7, 6

00

í 01

10

11

MNP block size is 64 characters

MNP block size is 128 characters

MNP block size is 192 characters

MNP block size is 256 characters

BIT-MAPPED REGISTER S41

Format

AT [cmds] S41=n [cmds]

Range:

0-31

Unit:

Bit-mapped

Description:

Selects compression, auto-retrain, flow control, and MNP mode.

Bit

Value

Function

1 - 0

00

01

10

í 11

Data compression disabled

MNP5 enabled

V.42bis enabled

MNP5 and V.42bis enabled

6,2

í 00

01

10

Auto-retrain disabled

Auto-retrain enabled

Fallback/fall forward enabled

3

í 0

1

Flow control disabled

Flow control enabled

4

í 0

1

Stream mode for MNP

Block mode for MNP

5

0

Reserved

7

0

í 1

Fallback to V.22bis/V22 disabled

Fallback to V.22bis/V22 enabled

ERROR CORRECTION/COMPRESSION

Type:

Register

Format:

AT [cmds] S46=n [cmds]

Description:

Selects active error correction and compression protocols

Command

Function

S46=136

LAP-M only, no compression

í S46=138

LAP-M with V.42bis data compression

FEATURE NEGOTIATION OPTIONS

Type:

Register

Format:

AT [cmds] S48=n [cmds]

Description:

Selects active error correction and compression protocols

Command

Function

S48=0

Detection negotiation disabled, XID negotiation disabled

S48=7

Detection negotiation and XID negotiation enabled

S48=128

Fall-back to options set in S36

CONNECTION FAILURE CODES

Type:

Register

Format

AT [cmds] S86? [cmds]

Description:

Reports codes which correspond to the possible causes of a connection failure

Value

Meaning

0

Normal hang up

4

Carrier signal lost

5

No error-control detected for remote modem during feature negotiation

9

No common protocol found

12

No failure - remote modem disconnected normally

13

Remote modem failed to respond after 10 re-transmissions same message

14

Violation of negotiated protocol caused failure