IBM 586VE SBC

7587 Install and HMM (individual files in ZIP)
7588 Install and HMM (Individual files in zip)

586VE SBC Information (GR6C06.pdf)

IBM SBC 586VE

sbc113a.zip SBC Flash Update from Radisys!

sbc111.exe SBC Flash Update (511,000 bytes , 8-15-00)

sbc110.exe SBC Flash Update(430,000 bytes 5-15-00)

47L2629.exe  Diagnostics (924,000 bytes, 10-4-99) 

SBCV video drivers  link to SiS website.
5598_113.zip  v 1.13 SiS 5597/5598 integrated graphics chipset (IGP)

SBCV ethernet drivers link to SiS site
SiS_900_sl119.zip v1.19 SiS 900 drivers

SiS 6801 Audio Drivers


 IBM 586VE 47L2387 100 - 233 Pentium, MMX, 300MHz AMD K6-2, 400MHz AMD K6-3

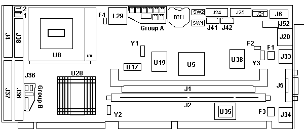
1 Fan 1
2 Fan 2
BH1 Battery CR-2032
F1 Fusible link
F2 Fusible link
F3 PTC Resistor
Group A
Group B
J1 DIMM 1
J2 DIMM 2
J4 Floppy
J5 VGA
J6 KBD / Mouse
J20 Ethernet
J21 Port 80 Hex Display
J24 Serial A
J25 Serial B
J33 Keyboard
J34 Mouse
J36 IDE 2 (Secondary)
J37 IDE 1 (Primary)
J38 LPT
J41 USB 1 (1.0? 12Mbps)
J42 USB 2 (1.0? 12Mbps)
J52 I2O
L29 Relay?
SW1 Switch Block 1
SW2 Switch Block 2
U5 Actel A42MX16-F 11N9736 BIOS (?)
U8 CPU
U17 ICS 9148BF-17
U19 SiS 6801 Audio Chip
U28 SiS 5598 Ethernet
U35 RIPL?
U38 SiS 900
Y1
Y2
Y3
Processors
—the SBC automatically adjusts the processor core-voltage during POST
– Pentium up to 200 MHz
– Pentium with MMX up to 233 MHz
– AMD K6-2 or K6-3 up to 500 MHz

DIMMs
 Min 32MB, max 384MB. The SBC has two 168-pin DIMM sockets (bank 0 and bank 1). Each socket can accept gold-tabbed, non-parity, synchronous-DRAM DIMMs. The DIMMs can be 32 MB, 64 MB, 128 MB, or 256 MB.The DIMMs do not have to be the same size; the SBC will optimize for the maximum performance of each DIMM.
NOTE: Max RAM is (1) 128MB DIMM and (1) 256MB DIMM.
47L2707 32 MB DIMM, 10-ns, non-parity, gold tab
47L2708 64 MB DIMM, 10-ns, non-parity, gold tab
47L2709 128 MB DIMM, 10-ns, non-parity, gold tab
47L2744 256 MB DIMM, 10-ns, non-parity, gold tab

L2 Cache
The SBC has a 512 KB level-2 (L2) cache, which cannot be upgraded.


Group A Connectors


J12, J7 Power-On LED
The power-LED connector turns on the system power-on indicator (the green LED) whenever 5 volts is applied to the SBC. It consists of two 2-pin connectors operating as a single connector. The connector pair supports the 2-pin LED connector in IBM systems and the 3-pin LED connector in industry-standard covers. The 2-pin power LED can be connected to J12 or J7. The 3-pin power LED can be connected across J12-1 and J7-1, or across J12-2 and J7-2.

Pin Description
J12-2
J12-1 +
J7-2 +
J7-1

J11 HD Access LED
This connector will drive a hard-drive-access LED. It will light the LED whenever there is activity to either of the IDE ports. The connector is a 2-pin header that connects through a cable to the HD-access LED (yellow).

Pin Description
1 +
2

J14 Reset Switch
This connector is used with a system reset switch. When the two pins are shorted together, the SBC performs a hardware reset. The connector is a 2-pin header attached through a cable to the backplane. When used in stand-alone mode, this connector can be attached to a system reset switch.

Pin Description
1 -Reset
2 Ground

J19, J18 Speaker
The speaker connector consists of two 2-pin connectors. The connectors are used to drive a speaker or a speaker LED (in noisy environments). A standard 8-ohm speaker can be connected to give normal system audio outputs.
The two connectors act as a single header and support the 2-pin speaker connector in IBM systems or the industry-standard 4-pin connector. The 2-pin speaker cable can be connected to either J19 or J18. The 4-pin cable can be connected across both J18 and J19 (the two outer-most pins are used).

Pin Description
J19-2 Vcc
J19-1 Data out
J18-2 Vcc
J18-1 Data out

J15, J27 ATX Power Supply
The SBC provides two connectors to be used with the soft on/off control of an ATX power supply. The soft on/off control uses a momentary-make on/off switch connected to the SBC instead of the standard two-pole switch connected to the power supply. As a result, the SBC controls the on/off state of the power supply.
When using the soft on/off control, connect the on/off switch to the 2-pin connector (J15), and connect the 3-pin auxiliary power-supply cable to the 3-pin connector (J27). Note: Use only a momentary-make switch and a properly-wired power supply.

J15 Pinout
Pin Description
J15-1 On/off switch
J15-2 Ground

J27 Pinout
Pin Description
J27-1 5 V stand-by
J27-2 /ONCTL- soft on/off
J27-3 Ground



Group B Connectors

J9 Infrared Port
The infrared connector is a 5-pin, 2-millimeter, center-line connector. The infrared port is configured as a serial port and supports slow IR (SIR) and amplitude-shift keying IR (ASKIR) standards. To use this port, you need to construct the cabling with an external connector or external infrared device.
Pin Description
1 +5 V
2 Reserved
3 Infrared receive
4 Ground
5 Infrared transmit

J8 Cover Intrusion Port
This connector is a standard 2-pin, 2-millimeter, center-line connector. The two pins are routed to the cover intrusion detector
Pin Description
1 Voltage out
2 Voltage detect

The logic on the SBC works as follows:
The two connector pins on the SBC are routed to the detector circuitry. When the pins are shorted, an event is latched in the detector. The event is latched even if the computer is turned off or the power cord is unplugged. Bit 6 at I/O address 0158h contains the status of the latch. If bit 6 is 1, the latch has been tripped. The latch is reset by setting bit 6 at I/O address 0157h to 1. To use the logic to detect a cover being removed, the user must connect a switch that is closed when the cover is removed, and open when the cover is installed.

Clear Password
Removing a Power-on or System Administrator Password: If you need to remove either the power-on or system-administrator password:
1. Turn off the computer and remove the cover.
2. Use a screwdriver or other conductive device to short the two pads on the password clear pad for 10 seconds (refer to the following illustration). An alternative method is to remove the battery for 10 minutes.



3. Reinstall the cover.
4. Turn on the computer and run the Configuration/Setup Utility program.
5. If a password is required, you must enter a new one.

Switch Block 1

8 - 3 Reserved
Leave these alone.

2 Disable Video
Switch 2 on switch block 1 lets you disable the video function on the SBC. When this switch is down (on), the SBC disables all video drivers on the SBC. Default is video enabled (off).

Disable Keyboard/Mouse
Switch 1 on switch block 1 is used to disable the keyboard and mouse ports, preventing anyone from using the keyboard or mouse.
Default position is keyboard and mouse ports enabled (off).









Switch Block 2


8 Enable Auto Boot
Switch 8 on switch block 2 controls the SBC auto-boot feature at power-on. With auto boot enabled, BIOS detects configuration errors at power-on and automatically alters the CMOS settings to match the hardware so that the computer can complete the boot process without operator intervention. This is useful where an operator or keyboard and display are not available to clear the configuration error.
Use this carefully because it can mask hardware problems. Hardware errors could cause the computer to change configuration and possibly lead to inconsistencies in the operation of hardware and applications running on the computer.
Default position is auto boot disabled (off).

4 RS-422/485 or RS-232
Switch 4 on switch block 2 controls the electrical interface of serial port B. If the switch is up (off), the port is a standard RS-422/485 interface. If the switch is down (on), the port is a standard RS-232 interface. The default position is RS-232 (on).



Processor Speed Selection Switches
Switch block 2 is used to configure the SBC to the speed of the microprocessor. Switches 1 through 3 select the internal clock multiplier for the microprocessor. Switches 5 through 7 select the input frequency and external bus speed.
The following table shows the settings for the clock multiplier and the resulting internal processor clock for each CPU-input frequencies.

Switches
Processor Speed by CPU Input Clock
3 2 1 Multiplier 60 66 75 83 Special Notes
Dn Dn Dn 1.5 90 100 na na Pentium only
Dn Dn Up 2.0 120 133 na na Pentium MMX only
Dn Up Up 2.5 150 166 188 208
Dn Up Dn 3.0 180 200 225 250
Dn Dn Dn 3.5 210 233 263 291
Up Dn Up 4.0 240 266 300 333
Up Up Up 4.5 270 300 337 375
Up Up Dn 5.0 300 333 375 416
Up Dn Dn 5.5 330 366 412 458
Dn Dn Up 6.0 360 400 450 500 AMD K6-2 and K6-3 only

Processor/Bus Clocking
The following table shows the switch settings for the input clocks to the CPU, PCI bus, and host bus.
The table shows only the optimal settings for each CPU-input frequency.

Switches Clocking
7 6 5 CPU PCI Bus Host Bus
Up Up Up 60 30 60
Up Up Dn 66 33 66
Dn Up Up 75 32 75
Dn Up Dn 83 32 83

Processor Voltage Selection

When the system is turned on, the SBC automatically selects the correct core voltage. The following shows the processors and the core voltages that are set.

Microprocessor Voltages Detected
AMD K6-2 2.2 V
AMD K6-3 2.4 V
Pentium MMX 2.8 V
Pentium 3.3 V

76H4385 Remote-IPL chip (for SBC with Ethernet only)


9595 Main Page